Combined Temperature & Pressure Sensor

Maximise your data without crowding your chassis with a high-performance 0-300 PSI Combined Temperature & Pressure Sensor, designed specifically to sample two critical measurements through a single port.

By integrating both data points into one robust unit, you save weight, reduce plumbing complexity, and simplify your wiring harness, all while maintaining the precision required for elite motorsport. Whether you are monitoring engine oil, coolant, or fuel systems, Aim Combined Sensors provide the real time accuracy needed to protect your hardware and shave seconds off your lap times.

Why Choose a Combined Temperature & Pressure Sensor

Ideal in motorsport setups where space and weight are at a premium, Combined Temperature & Pressure Sensors offer a dual-purpose solution without compromising reliability up to 300 PSI.

  • Dual-Stream Data: Monitor fluid or air pressure alongside temperature simultaneously, giving you a complete picture of your vehicle's thermal and hydraulic health.

  • Motorsport-Grade Durability: Built to withstand the extreme vibrations, high-G shocks, and intense heat cycles found in racing environments.
  • Versatile Fitment: Available in a 1/8 NPT thread to suit most engine blocks and manifolds.

  • Flexible Integration: Choose between a 4-pin binder 719 (plastic) male connector for a plug-and-play experience with Aim devices, or free wires for custom loom builds.

  • Customisable Scales: Available in both Bar or PSI to match your preferred data visualisation.

How the Combined Pressure Sensor Works

The Combined Sensor utilises two distinct internal sensing elements, housed within a single threaded body. This allows it to tap into a single fluid gallery, such as an oil sandwich plate or a coolant bypass, to provide two independent signals.

Pressure Monitoring

The Pressure Sensor element detects fluid or air pressure with high-fidelity endurance. From monitoring oil pressure to ensuring fuel rail consistency, the Pressure Sensor provides the data needed to diagnose issues like pump cavitation or pressure drops before they lead to catastrophic engine failure.

Temperature Monitoring

The integrated thermoresistor tracks engine coolant or oil temperatures up to 150°C. Operating outside the optimal temperature window can reduce power delivery and drastically shorten the lifespan of your gearbox or engine. The Temperature Sensor acts as your first line of defence, signalling exactly when to push for a qualifying lap or when to take a cool-down lap to protect your investment.

Expand Your System

You can seamlessly integrate the Combined Temperature & Pressure Sensor with the wider Aim ecosystem:

  • Displays & Loggers: View live pressure and temperature traces on your MXS, MXG, or MXP dash, or record them via an XLog or ECULog logger for deep post-session analysis.
  • ACC3 Analogue CAN Converter: Easily convert your analogue sensor signals to CAN for a cleaner, more efficient wiring setup.
  • Data Hubs: Connect multiple sensors and peripherals through a single cable to your logger with a Two-Way or Four-Way Data Hub, minimising clutter in the cockpit.

By overlaying this combined data with throttle position, RPM, and GPS speed, engineers and drivers can refine vehicle setup, tune cooling systems, and develop a more consistent driving style.

Technical Information

Technical Specs

Technical Characteristics

  • Temperature Sensor: PT100 thermo-resistor with 2kOhm pull up internal 5V ref
  • Compensated Temperature Range: From –10°C to 125°C
  • Temperature Working Range: From –20° to 135°
  • Accuracy: < ± 0.5% FS (CLNH – combined non-linearity and hysteresis)
  • Overrange Pressure: 1.5 x rated pressure
  • Burst Pressure: 3 x rated pressure
  • Waterproof: IP66

Mechanics Characteristics

  • Housing Material: AISI 316 stainless steel
  • Cable Length: 500mm
  • Tightening Torque: 20Nm

Electrical Characteristics

  • Supply: 8-16V dc
  • Pressure Sensor Output Signal: 500mV (0 Bar/PSI) – 4.500mV (Full scale)
  • Temperature Sensor Output signal: Standard PT-100 with 2kOhm pull up internal 5V ref

SKU: S-TP-

Diagram

Combined temperature and pressure sensor diagram

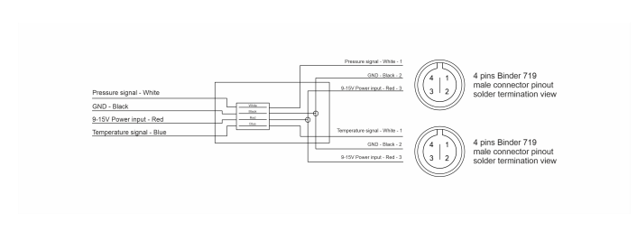
Pinout

Combined temperature and pressure sensor pinout

Included in the Box

Downloads

Aim Shop Tech Sheet Download Icon
Combined Pressure Sensor Tech Sheet
Race Studio 3 Download Icon
Race Studio 3